产品详细:
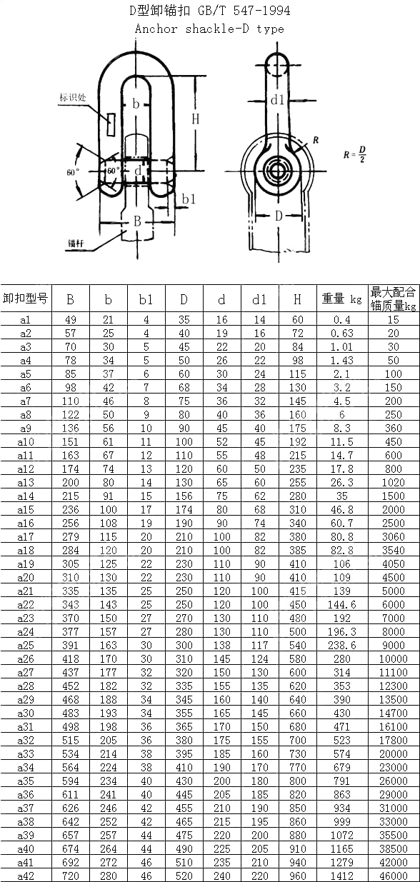
D型螺丝,扎头,卸扣,D型锚扣,D形直形卸扣,卡头【螺纹】:半牙,全牙,公制,英制,美制【材料】:在正不锈钢304正【标准】:GB5783,DIN933【规格】:公制:M4-M72,美制,英制 1/4"-1",长度:8-1000mm【表面处理】:洗光【包装】:胶袋,纸盒,纸箱,托盘【非标订制 】如果您需要对螺丝的部位尺寸做修改,或者其他特殊要求,可以提供产品的图纸,我们可以按图加工,符合环保,通过欧盟RoHS环保监测,用心做好每一颗螺丝,黄瓜视频app始终关注客户未来,产品曾被以下行业选用,并获得客户好评: 风力发电,火电工程,核电设备,水利工程,铁路工程,公路桥梁,幕墙工程,机械设备,游艺设备,船舶设施,化工机械,电子电器,通讯钣金,纺织机床,管道 阀门,压力容器 黄瓜视频app下载,通讯设备,LED灯饰,医疗设备,精密工业,电镀化工,办公家具,装饰工程,厂房建设,矿产能源,汽车传动等行业,不锈钢螺丝广泛被风力发电行业采用, 温馨提示:如果您喜欢我们的图片与文字,转载请注明信纯出处。


