产品详细:
达克罗马车螺栓 黄瓜视频app下载. 半圆头方劲螺栓. 马车螺丝. 半圆头方颈螺栓. 小半圆头方颈螺栓. 半圆头低方颈螺栓.
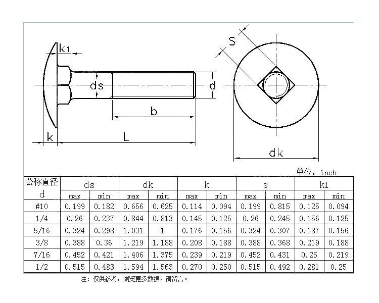
【螺纹】:全牙、公制、(英制、美制请咨询客服)【材料】:4,8级(8,8级、10,9级请咨询客服)【标准】:/【规格】:公制:M5-M24,美制、英制 1/4"-1",长度:8-1000mm【表面处理】:达克罗【包装】:胶袋、纸盒、纸箱、托盘【非标订制 】如果您需要对螺丝的部位尺寸做修改,或者其他特殊要求,可以提供产品的图纸,我们可以按图加工。用心做好每一颗螺丝,黄瓜视频app始终关注客户未来!产品曾被以下行业选用,并获得客户好评: 风力发电、火电工程、核电设备、水利工程、铁路工程、公路桥梁、幕墙工程、机械设备、游艺设备、船舶设施、化工机械、电子电器、通讯钣金、纺织机床、管道 阀门、压力容器、通讯设备、LED灯饰、医疗设备、精密工业、电镀化工、办公家具、装饰工程、厂房建设、矿产能源、汽车传动等行业。不锈钢螺丝广泛被风力发电行业采用。 温馨提示:如果您喜欢我们的图片与文字,转载请注明信纯出处。 黄瓜视频官方版。


